TG7 Ytgivare för temperatur Pt1000 med 10 m kabel med Cinch-kontakt
Ytgivare P1000 för temperaturmätning.
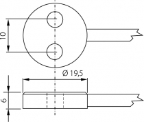
Ytgivare i mässing med kabel. Mätområde -30 till +200°C, noggrannhet ±(0,15+0,002 |t|). Diameter 18mm, tjocklek 6.5mm, 2-tråd.
Med kontaktdon typ Cinch för anslutning till handinstrumenten i serien Commeter.
Monteras med M4-skruv eller dubbelhäftande tejp. Kapslingsklas IP65.
-
Art nrSN167C
